[ ] Szakkifejezések
Nóniuszos tolómérő
Tolómérő belső mérőfelület, Tolómérő lépcsőmérő felület, Tolómérő belső pofa, Tolómérő külső pofa, Tolómérő külső mérőfelület, Tolómérő csúszka, Tolómérő nóniusz skála, Tolómérő beállító csavar, Tolómérő csúszka, Tolómérő rögzítő csavar, Tolómérő nyomócsavar, Tolómérő mozgató elem, Tolómérő alaptest, Tolómérő alapskála, Tolómérő referencia felület, Tolómérő csúszka ütköző, Tolómérő mélységmérő bázisfelület, Tolómérő mélységmérő rúd.
Digitális tolómérő
Tolómérő belső mérőfelület, Tolómérő lépcsőmérő felület, Tolómérő belső pofa, Tolómérő külső pofa, Tolómérő külső mérőfelület, Tolómérő csúszka, Tolómérő ZERO Set/ABSOLUTE gomb, Tolómérő csúszka, Tolómérő rögzítő csavar, Tolómérő adatkimenet, Tolómérő mozgató kerék, Tolómérő alaptest, Tolómérő alapskála, Tolómérő referencia felület, Tolómérő csúszka ütköző, Tolómérő mélységmérő bázisfelület, Tolómérő mélységmérő rúd.
[ ] Skála leolvasása
| Nóniuszos tolómérő | Órás tolómérő |
|
|
|
Osztás 0,05 mm |
Osztás 0,01 mm |
Megj.) Fent bal oldal, a 0.75 mm (2) leolvasott tag az alapskála és nóniusz skála fedéséből adódik.
[ ] Példák mérési módszerekre
| 1. Külső méret mérés | 2. Belső méret mérés |
|
|
| 3. Lépcső mérés | 4. Mélység mérés |
|
|
[ ] Speciális tolómérők és alkalmazásaik
| Hegyes kivitel | Eltolt pofás kivitel | Mélységmérő |
|
|
|
| Pengés kivitel | Horgas kivitel | Csőfal vastagság mérő |
|
|
|
[ ] Nóniusz skála típusok
A nóniusz skála a csúszka egységen található, amelyen minden egyes skálaosztás 0.05 mm-rel rövidebb mint 1 mm. Ez azt jelenti, hogy a csúszka minden 0.05 mm-rel történő elmozdításakor az alapskála a nóniusz skála valamely osztásával egy vonalba kerül. Hosszabbított nóniusz skála esetén a nóniusz osztás nem egy hanem kettő skála hossztól rövidebb 0.05 mm-rel. Ez egyszerűbb és jobban látható leolvasást eredményez, de az alapelv mindkét esetben azonos.
| Standard nóniusz skála (osztás 0.05 mm) |
Hosszú nóniusz skála (osztás 0.05 mm) |
|
|
| Leolvasás 1.45 mm | Leolvasás 30.35 mm |
[ ] Hosszú tolómérők
Acél mérővonalzók gyakran alkalmazottak nagyméretű darabok mérésére, de pontosabb mérésekhez mindenképpen hosszú méréstartományú tolómérő a megfelelő választás. A hosszú tolómérők igen barátságos kezelhetőséget nyújtanak, de némi gyakorlatra szükség van, hogy azt megfelelően is használjuk. Első és fontos szabály, hogy a felbontás és a pontosság között nincs semmi féle közvetlen kapcsolat. Részleteket lásd a katalógusban.A felbontási érték mindig állandó a pontosság azonban nagymértékben függ az alkalmazástól.
A mérési módszer, az alapskála torzítása stb. mind mind hatással vannak a mérési hibára, így a pontosság a külső hatások szoros pillanatnyi függvénye.
Tehát, ügyeljünk arra, hogy ne használjunk nagy mérőerőt a mérés során, amely a külső méret mérésénél fejti ki legkedvezőtlenebb hatását amikor a külső pofa legkülső pontja érinti a mérendő felületet.
[ ] Kis furat mérése normál tolómérővel
Strukturális d hiba lép fel ha a mérendő furat átmérője igen kicsi méretű.
[ ] Belső átmérő mérése speciális tolómérővel
Mivel a belső átmérő mérése a mérőcsőr végén valósítható meg, annak párhuzamossága - amely igen erősen mérőerő függő - igen nagy hatással van a mérés pontosságára.
Ellentétben a standard tolómérővel, az ilyen típusú tolómérőkkel kis furatok mérése nem kivitelezhető, amelynek határát a mérőcsőr geometriai kialakítása adja. Természetesen a belső mérőfelület kellő görbülettel rendelkezik ahhoz, hogy a mérést megbízhatóan végezzük.
E típusú Mitutoyo tolómérőn kettős skála található annak érdekében, hogy a mérési érték közvetlenül leolvasható legyen, akár csak a normál külső méretek esetében. Ezzel kerülhető az a hiba, amely a mérőcsőr geometriai méretével történő méretkompenzálás során keletkezne.
|
|
[ ] Általános megjegyzések tolómérős méréshez
1. Hibák alapvető okai
Számos tényező fordulhat elő, amely hibás méretek mérését okozhatja. Az egyik ilyen tényező a parallaxis hatás, illetve a mérőerő, amely az Abbe elvnek való nem-megfelelés következménye. További tényezők, a hőmérséklet különbség a tolómérő és munkadarab között, a mérőpofa élének vastagsága tisztasága kis furatok mérésekor. Megemlítendő az alapskála osztásának pontossága, vagy a referencia vezetőfelület egyenessége, az alaptest síklapúsága, a mérőcsőrök merőlegessége, amelyek egytől egyik befolyásolják a mérőeszköz mérési bizonytalansági értékét. Igen szigorú követelmények betartásával ezen hatások minimalizálhatók. A fenti tényezőkön kívül az alkalmazási módszert is igen körültekintően kell megválasztani. Ügyelni kell az állandó alacsony mérőerő alkalmazására. Ügyelni kell arra is, hogy a mérést lehetőség szerint a csőr belső végén végezzük, ui. nagy méreteltérések jelentkezhetnek a mérőcsőr külső ill. a belső végen végzett mérések között.
2. Belső méret mérése
A mérőcsőrt pozicionálja olyan mélyre, ameddig csak lehet.
Belső mérésnél a legnagyobb méretet vegyük figyelembe.
Horonyszélesség mérésnél a legkisebb méret az irányadó.
3. Mélységmérés
Mélységmérésnél a legkisebb méret az irányadó.
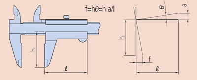
4. Parallaxis hiba a skála leolvasásakor
A pontos méretleolvasás az alapskála és nóniusz skála egy vonalba eső helyén történik.
Ha a nóniusz skála megfigyelési iránya (A), a leolvasáskor X értékű torzítás keletkezik, amely hatása a (H) vastagság függvénye. Az így leolvasott méret hibás.
5. Mozgó pofa billenése okozta hiba
Ha mozgás közben a mozgó pofa nem párhuzamos az álló pofával, akkor vagy az alkalmazott mérőerő túl nagy vagy a megvezetés nem egyenletes.
Ekkor az ábra által szemléltetett hiba áll elő. E hibaforrás jól mutatja, hogy a tolómérő kialakításánál fogva nem felel meg az Abbe elvnek.

Példa: Tegyük fel, hogy a mozgópofa billenése 50 mm-en 0.01 mm és a külső mérőpofa hossza 40 mm. Ekkor a mérőpofa végén számítható hiba (40/50)x0.01 mm = 0.008 mm. Kopott vezetőfelület esetén a hiba akkor is fennáll, ha az alkalmazott mérőerő megfelelő is.
6. Mért érték és hőmérséklet kapcsolata
A tolómérő alapteste rozsdamentes acélból készül, amely lineáris hőtágulási együtthatója jó közelítéssel megegyezik a leginkább alkalmazott munkadarab. anyagokkal, pl. (10.2 ±1) ×10-6 / K. Más anyagok esetén a környezet és a munkadarab hőmérséklete jelentős hatással lehet a mérés pontosságára.
7. Kezelés
A tolómérő mérőcsőre éles élekkel rendelkezik, amellyel nagyon körültekintően kell bánni.
Kerüljük a digitális tolómérők mérőskálájának megsértését és ne gravírozzunk a skálára egyedi azonosító számokat vagy ne használjunk elektronikus jelölő tollat.
Kerüljük a tolómérő erőhatásoknak való kitételét, ne üssük kemény tárgyakhoz vagy ne ejtsük a földre vagy a mérőasztalra.
8. Mérő- és csúszófelületek karbantartása
Használat előtt minden esetben töröljük puha szálmentes ruhával tisztára mind a mérő- mind pedig a csúszófelületeket.
9. Nullapont ellenőrzése és beállítása
Tisztítsuk meg a párhuzamos mérőfelületeket tiszta törlőpapírral. Zárjuk egymáshoz a mérőfelületeket és ellenőrizzük, hogy a nóniusz skála (vagy kijelző) nulla értéket mutat-e. Digimatic tolómérő esetén elemcsere után minden esetben nyomja meg a nullázó gombot (ORIGIN gomb).
10. Kezelés használat után
A tolómérőt használat után tisztítsuk meg az olajtól vagy egyéb szennyeződésektől. Kenjük be vékonyan rozsdagátló olajjal, és eltevés előtt töröljük jól át.
A víz védett tolómérőkről is távolítsunk el minden szennyeződést, mert azok is korrozív hatással lehetnek.
11. Megjegyzés a tároláshoz
Kerüljük a közvetlen napsugárzást, magas és alacsony hőmérsékletet, magas páratartalmat.
Ha a tolómérőt 3 hónapnál hosszabb ideig nem használja, távolítsa el az elemet mielőtt elteszi.
A tolómérőket ne tárolja teljesen összetolt pofákkal!

Ide kattintva tudod letölteni az eredeti PDF ismertetőt
A Tolómérő termékeket a Kézi mérőeszköz -> Tolómérő mappában találsz
